🛍️ Shop smart with Splash Pass! Earn cash back on every purchase at Shopy Store💳✨

120cm Wall to Wall Frameless Shower Screen with Gunmetal Channel and SS Hinges , Square Double Pull Handle

For Members only

$622.75
Don't Pay $1,019.95 RRP
$691.95
SAVE $328.00 (32%)
  • In stock
Product Code : DZ

Earn $691.95 * 10% = $69.19 Splash Pass Credit

Elevate your shower experience with our Della Francesca Frameless Screensthe ultimate solution for your wall-to-wall shower requirements.

You will receive:

1200mm Wall to Wall Frameless Shower Screen x 1

Our Della Francesca Wall to Wall Frameless Shower Screen delivers top-notch style, innovation, and practicality.

Crafted with Australian Standard toughened glass, this shower screen doesn't just handle everyday wear and tear; it does so while maintaining a stunningly contemporary and minimalist appearance. Plus, the absence of railings or struts enhances its attractiveness, making it easier to clean and install. What's there not to love?

Features and specifications:

  • Clean and simple design
  • Made from 10mm Australian standard (AS-NZS2208) tempered glass
  • 1 x Hinged panel: 540 x 2000mm
  • 1 x Door panel: 650 x 1990mm

Note:Images will show various optional accessories and are for illustrative purposes only. Only the indicatedaccessories with specified colourwill be provided as described.

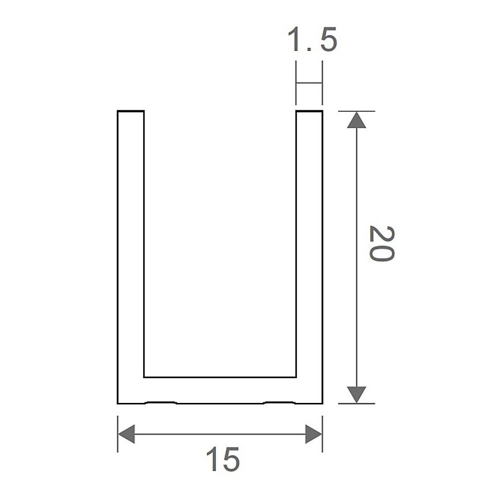
Wall Channel in Brushed Gunmetal x 1

  • Channel Length: 2100mm;to be cut to size upon installation
  • Material: Brushed Gunmetal Anodised Aluminium
  • Height: 21.5mm
  • Width: 15mm
  • Thickness: 1.5mm

Note: Images may show other optional accessories (e.g. wall/floor brackets) which are for illustrative purposes only. Only the variant with selected wall channels will be provided as described, unless selected together in bundle.

180° Wall-to-Wall Shower Door Hinge in Brushed Gunmetal x 1

Crafted from stainless steel, the shower door hinge is built to accommodate 10mm toughened safety glass. It swings a full 90 degrees in both directions and automatically centers itself within 25 and will automatically close.

Features:

  • Stainless steel with squared edges
  • Dual action opens inwards and outwards

Specifications:

  • For glass thickness of 10mm
  • Self-centers within 25 and will automatically close
  • Clamping plates pre-glued with EPDM 119mm gaskets for easy fitting
  • Maximum weight capacity: 45kg
  • Electroplated
  • Finish: Brushed gunmetal(Colour intensity may vary from actual due to different lighting conditions)

25mm Brass Shower Door Double Pull Handle in Brushed Gunmetal x 1

Installation is straightforward and hassle-free; it can be directly mounted onto the glass door, ideal for 10mm thick glass.

Crafted from solid brass with a smooth finished surface, it's comfortable to touch and resistant to rust and corrosion. The handle design is sleek and minimalist, complementing nearly every style. Additionally, the door handle includes plastic gaskets for added protection for the shower door.

Specifications:

  • 49mm x 25mm double pull knob
  • Suits 10mm thick glass
  • Material : Brass
  • Finish : Brushed gunmetal(Colour intensity may vary from actual due to different lighting conditions)

Attributes:

  • Size: 120cm
  • Colour: Gunmetal
  • Bracket Type: Wall Channel
  • Handle Type: Square Double Pull

Note:
COM (change of mind) Return Policy:
The product must be unopened and in brand new condition, with the return to be organised by the customer. Once received and verified to be in the condition specified, refund is only of the item value minus 15% restocking fee (not including initial shipping). An additional return charge, which is same cost as that of initial shipping, will be deducted from the refund on returns due to delivery failure caused by customer error. For the health and safety of our staff and other customers, we are unable to accept returns of personal use items.

Product Code : DZ-V63-860211

Be The First To Review This Product!

Help other Shopy Store users shop smarter by writing reviews for products you have purchased.

Write a product review

What is Splash Pass:

Splash Pass is HR Sports’ loyalty program. When you shop while logged in, you earn store credit (“Splash Pass credit”) on eligible products. You earn 10% back on the final product price after discounts (shipping and non-merch fees excluded). Credit is instantly available once your order is processed and can be used on future orders from your Splash Pass Wallet.

What is the Joining Cost:

Free. Create an account and start earning right away. Sign UP Now.

How to check my Splash Pass balance:

  1. Create an account and log in.
  2. Go to "My Account" → "Account Home" to see your balance and history.
  3. At checkout, choose how much credit to apply.

Current Bonus Program:

  • 10% Splash Pass credit on every order placed until 31 December.
  • Credit is usable until 31 January 2026.
  • You can apply $10–$50 Splash Pass credit per order.

"Shopy Store" provides 1 year warranty on all products, unless stated otherwise for the majority of our products, with extended warranties available for certain items. Please refer to the product listing to determine the specific warranty duration.

We do offer a 14-days return policy for cases of change of mind; however, the product must be returned in its original packing and condition. Please note that return fees will be applicable.

Certain products are not eligible for change-of-mind return due to hygiene and other related concerns.

For warranty claims and a comprehensive understanding of the terms & conditions, we kindly ask you to review our warranty & return policy.

All of our products are stored and dispatched exclusively within Australia. We utilise multiple warehouses to ship them to various delivery postcodes, based on the stock availability and convenience, in order to optimise delivery time frame and provide efficient service. So you may get multiple tracking numbers, in case you have ordered multiple products and they might arrive separately at your given delivery address.

We dispatch orders Monday to Friday, and in some locations, we do prepare parcels on weekends to speed up the delivery process. You'll receive an automated email with tracking details once your order is updated by the warehouse team.

The general delivery time frame is as below :-

  • For Customers in Victoria, approx 3 to 6 working days.

    (Some Remote & Regional area might take few extra days)

  • For customers in NSW, SA, ACT, and QLD, approx 4 to 8 working days.

    (Some Remote & Regional area might take few extra days)

  • For customers in WA, NT, and TAS, approx 5 to 14 working days.

    (Some Remote & Regional area might take few extra days)

In some cases, additional delivery delays may be experienced on factors such as the courier’s workload on specific routes, the peak season for pick-ups and deliveries, and other unforeseeable circumstances like bushfire, floods, and more.

For more details, please check out our Shipping Guide