🛍️ Shop smart with Splash Pass! Earn cash back on every purchase at Shopy Store💳✨

110cm Reeded Single Shower Glass Screen with White Wall Channel & Square Pole

For Members only

$612.86
Don't Pay $1,059.95 RRP
$680.95
SAVE $379.00 (36%)
  • In stock
Product Code : DZ

Earn $680.95 * 10% = $68.09 Splash Pass Credit

Step into a world of contemporary luxury with our clear, reeded shower panels, meticulously designed to elevate your bathroom experience. Each panel is crafted for clarity and durability, featuring channels as fixing hardware for seamless installation and a clean, minimalist look.

Whether you're renovating your bathroom or creating a stylish new space, our Della Francesca panels combine functionality with modern aesthetics to transform any setting.

You will receive:

1100 x 2100mm Frameless Reeded Bathroom Safety Glass Shower Screen x 1

Elegance and simplicity define the essence of a modern Australian bathroom, and our contemporary shower screens embody these principles seamlessly.

Crafted with precision, this single-panel screen is made from 10mm toughened and reeded glass. Specifically engineered to ensure utmost safety in the bathroom, it adheres to Australia's stringent glazing standards. This screen is perfect for both new constructions and renovations, promising to elevate the aesthetic of your bathroom.

Key Features of the Shower Screen - 1100mm:

  • Single panel crafted from 10mm-thick reeded toughened safety glass without holes
  • Complies with Australian Standards (AS/NZ 2208:1996 Safety Glazing Materials in Buildings)
  • WithR2 radius corners and polished edges
  • Dimensions of 1100 x 2100mm (W x H)

Note:Images will show all optional accessories and are for illustrative purposes only. Only the indicatedaccessories with specified colourwill be provided as described.

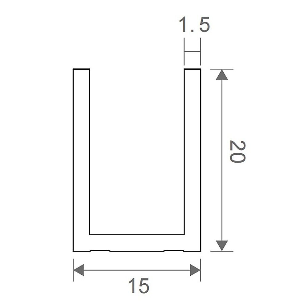
Wall Channel in Matte White x 1

  • Channel Length: 2100mm;to be cut to size upon installation
  • Material: Matte White Powder-coated Aluminium
  • Height: 21.5mm
  • Width: 15mm
  • Thickness: 1.5mm

Note: Images may show other optional accessories (e.g. wall/floor brackets) which are for illustrative purposes only. Only the variant with selected wall channels will be provided as described, unless selected together in bundle.

Square Stabilising Pole in White x 1

  • Fixes horizontally from wall to top of glass panel
  • Easy horizontal fixing solution for stabilising single glass panels
  • Horizontal fixing - hidden fixing into wall (internal CSK screw)
  • Width adjustable from 760mm to 1200mm - simply slide telescopic tube to required length and tighten grub screws
  • Suitable for 10mm glass
  • Friction fit to glass panel (no hole in glass required)
  • Manufactured in solid brass fittings with SS304 square tube
  • Colour: White

Attributes:

  • Size: 110cm
  • Colour: White
  • Bracket Type: Wall Channel & Square Pole

Note:
COM (change of mind) Return Policy:
The product must be unopened and in brand new condition, with the return to be organised by the customer. Once received and verified to be in the condition specified, refund is only of the item value minus 15% restocking fee (not including initial shipping). An additional return charge, which is same cost as that of initial shipping, will be deducted from the refund on returns due to delivery failure caused by customer error. For the health and safety of our staff and other customers, we are unable to accept returns of personal use items.

Product Code : DZ-V63-920281

Be The First To Review This Product!

Help other Shopy Store users shop smarter by writing reviews for products you have purchased.

Write a product review

What is Splash Pass:

Splash Pass is HR Sports’ loyalty program. When you shop while logged in, you earn store credit (“Splash Pass credit”) on eligible products. You earn 10% back on the final product price after discounts (shipping and non-merch fees excluded). Credit is instantly available once your order is processed and can be used on future orders from your Splash Pass Wallet.

What is the Joining Cost:

Free. Create an account and start earning right away. Sign UP Now.

How to check my Splash Pass balance:

  1. Create an account and log in.
  2. Go to "My Account" → "Account Home" to see your balance and history.
  3. At checkout, choose how much credit to apply.

Current Bonus Program:

  • 10% Splash Pass credit on every order placed until 31 December.
  • Credit is usable until 31 January 2026.
  • You can apply $10–$50 Splash Pass credit per order.

"Shopy Store" provides 1 year warranty on all products, unless stated otherwise for the majority of our products, with extended warranties available for certain items. Please refer to the product listing to determine the specific warranty duration.

We do offer a 14-days return policy for cases of change of mind; however, the product must be returned in its original packing and condition. Please note that return fees will be applicable.

Certain products are not eligible for change-of-mind return due to hygiene and other related concerns.

For warranty claims and a comprehensive understanding of the terms & conditions, we kindly ask you to review our warranty & return policy.

All of our products are stored and dispatched exclusively within Australia. We utilise multiple warehouses to ship them to various delivery postcodes, based on the stock availability and convenience, in order to optimise delivery time frame and provide efficient service. So you may get multiple tracking numbers, in case you have ordered multiple products and they might arrive separately at your given delivery address.

We dispatch orders Monday to Friday, and in some locations, we do prepare parcels on weekends to speed up the delivery process. You'll receive an automated email with tracking details once your order is updated by the warehouse team.

The general delivery time frame is as below :-

  • For Customers in Victoria, approx 3 to 6 working days.

    (Some Remote & Regional area might take few extra days)

  • For customers in NSW, SA, ACT, and QLD, approx 4 to 8 working days.

    (Some Remote & Regional area might take few extra days)

  • For customers in WA, NT, and TAS, approx 5 to 14 working days.

    (Some Remote & Regional area might take few extra days)

In some cases, additional delivery delays may be experienced on factors such as the courier’s workload on specific routes, the peak season for pick-ups and deliveries, and other unforeseeable circumstances like bushfire, floods, and more.

For more details, please check out our Shipping Guide